Benutzerkonto
Offertanfrage
Menü
DE
EN
Produkte
Embedded Computing
COMPUTER-ON-MODULES
COM Express
SMARC
System-on-Module
Qseven
ETX
Development Tools
Various Modules
BOARDS & SBC
Single Board Computer
Industrial Motherboards
Compact PCI
PC/104
Slot PCs
IoT Gateway Boards
uTCA/VME/VPX
SYSTEMS
Server & Network Platforms
Cloud Computing Solution
Box PCs
Rackmount Systems
Transportation Systems
Compact PCI Solutions
Monitors
Panel PCs
Rugged Tablet Computer
Industrial Routers
DISPLAYS & HMI
Panel PCs
Monitors
Rugged Tablet Computer
VFD
TFT Display Solutions
LCD
Touch Solutions
EMI Shield Technology
E-paper on glas
E-paper on plastic
IoT, LTE, WLAN Router
Industrial Routers
Modem
Gateways & Bridges
Communication Modules
SIM Card
Ethernet Switches
Serial Device Server
Interface Converter
Accessories
DRAM MODULES
DDR
DDR2
DDR3/DDR3L
DDR4
FLASH MEMORY
cFAST
Compact Flash
SSD 2.5" / 1.8"
mSATA / Slim SATA
M.2
SD / uSD
USB
IDE
SATA-DOM
POWER SUPPLIES
Open Frame
Medical
PC Power Supply
Medical
DC-ATX-Netzteile
DIN-Rail
Desktop
Medical
Compact Power Modules
UPS Systems
DC/DC Converter
AC/DC Converter
KEYBOARDS
Office corded
Office cordless
Compact
Compact with Trackball
Compact with Touchpad
Ruggedized
Ruggedized with Trackball
Ruggedized with Touchpad
Ruggedized with Stick/Button
Keypad
Accessoires
MOUSE
Wireless
Corded
TRACKBALL / TOUCHPAD
Trackball Units
Trackball Modules
Touchpads
Joysticks
Accessories
CARD READER
Card Reader
ACCESSORIES
Peripheral Cards
Accessoires
Software / OS
Batterie & Power
BATTERIES
Primary Batteries
Rechargeable Batteries
Lamps
Battery Holders
CAPACITORS
Tantal
Niobium
Keramik
Elektrolyt
Polymer
Hybrid
Film
SUPER/ULTRA CAPACITORS
Single Cells
Moduls
CIRCUIT PROTECTION
Fuses
ESD Supressors
Varistors
Thyristors
TVS
GDT
E-Magnets & Relays
LED Protection
Filter
Z-Diode
RESISTORS
Power
Current-Sense
Film
General purpose
COILS
TRANSFORMERS
DISCRET POWER ELEMENTS
POWER MODULS
Amplifiers/Drivers
Power Supplies
POWER SUPPLIES
Open Frame
Medical
PC Power Supply
Medical
DC-ATX-Netzteile
DIN-Rail
Desktop
Medical
Compact Power Modules
UPS Systems
DC/DC Converter
AC/DC Converter
Wireless
CELLULAR
GSM
UMTS
LTE
SHORT RANGE
ISM MHz Band
WLAN
Bluetooth
ANTENNA
Cellular Antenna
WLAN Antenna
Bluetooth Antenna
GPS/GNSS Antenna
Low Noise Amplifier
CABLES & CONNECTORS
POSITIONING GPS / GNSS / GLONASS
Semiconductors/Sensors
MICROCONTROLLER
8-bit
16-bit
32-bit
OPTICAL RX / TX
Photodiode
Arrays
Line Imagers
Light Barriers/Curtains
Amplifiers/Drivers
Filters
Cameras
TOF
Current Sense
IR/LED Diode
GYRO
HALL EFFECT
OP'S/COMPARATORS
AUDIO VIDEO
INTERFACE
ACCESSORIES
THERMAL
RADAR
Electromechanic
KONFEKTIONEN
Konfektionen
RUNDSTECKVERBINDER
AMC
Schwere Steckverbinder
Mini Stecker
Push/Pull
M8/M12
STECKERVERBINDER
Din
Board to Board
Board to Wire
Steckverbinder
D-Sub
I/O Steckverbinder
Print-Steckverbinder
MemoryCard, SIMCard
Modular Jack
Power
Rectangular Verbinder
Einzelkontakt
Wire to Wire
USB
Kabelschuhe
FFC
FLACHLEITER
Flachleiter
KÜHLKÖRPER
Fingerkühlkörper
Aufsteckkühlkörper
Kühlkörper mit Lötstiften
Profile
CPU Kühlkörper
Zubehör
Lüfter
RELAIS
Zwangsgeführte
Solid State Relay
SENSOREN
Hall Sensoren
Reed Sensoren
Encoder
SCHALTER
Miniaturschalter
Wippschalter
Geräteschalter
Kodierschalter
PRINTKLEMMEN
Printklemmen
Timing Devices
CRYSTALS
OSCILLATORS
SAW OSCILLATORS
VCXO
RTC
HMI
Aktuelles
Newsletter-Archiv
Messen / Fachtagungen
Electronica 2024
ECC 2025
Kataloge
Elektromechanik
Komponenten
Lieferantenschulung / Webinar
Kontron
Epson
Firmennews
Neuer Partner
Hersteller
Services
Newsletter Registrierung
RMA Process Handling
REACH Statements
Über uns
Kontakt
Leitbild
Geschäftsbedingungen, Konditionen
Zertifikate
Firmenpräsentationen
Impressum
Datenschutzerklärung
Tech Box
Application Stories
Fachberichte
Noritake-Itron
Benutzerkonto
Offertanfrage
Suche:
Suche
Startseite
/
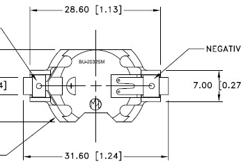
Batteriehalter für CR2032, Pick and Place, SMT
Klicken Sie doppelt auf das obere Bild, um es in voller Grösse zu sehen
Mehr Ansichten
Batteriehalter für CR2032, Pick and Place, SMT
Lieferant:
Memory Protection Devices Inc.
Supp. Item No:
BU2032SM-G
Ineltro Artikel Nr.:
BU2032SM-G
RoHs:
Ja
Batteriehalter für CR2032, Pick and Place, SMT is available for purchase in increments of 1
Menge
Offertanfrage
ODER
|
Vergleichsliste
Downloads
Datasheets
pdf
bu2032sm-g
18.03.2016
Download